Precision Z stage; DC motor; 26 mm travel range; 100 N load capacity; 50 mm/s maximum velocity; ball screw; incremental linear encoder, 20 µm sensor signal period, sin/cos, 1 V peak-peak
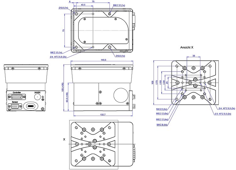
L-310 Precision Z Stage
Compact Multi-Axis Combinations with Linear and Rotation Stages
- Travel range 26 mm (1")
- High-resolution encoder
- DC, BLDC, and stepper motors
- Zero-play ball screw
- Load capacity to 10 kg
- Variants suitable for vacuum available
Precision-class Z stage
High guiding accuracy and stiffness due to ball screws and crossed roller guides. Stress-relieved aluminum base for high stability. Vacuum-compatible product variants on request. Noncontact limit and reference switches (Hall effect). Reference switch with direction sensing in the middle of the travel range.
Drive types
- .xxSD variant: 2-phase stepper motor for high torque even at low velocities and high resolution.
- .023xxx variant: DC servo motor
- .025xxx variant: Brushless DC motor (BLDC) for high rotational velocity. Smooth running and low wear, therefore longer lifetime.
Position measuring
- Versions with DC motor: Rotary encoder
- Optional: Integrated linear encoder, installed centrically.
Highly accurate position measuring with incremental linear encoder
Noncontact optical linear encoders measure the position directly at the platform with the greatest accuracy. Nonlinearity, mechanical play or elastic deformation have no influence on the measurement.
Minimum incremental motion and slow motion
In conjunction with an ACS controller (e.g., ECMsm-4B44T-NNNNN), versions with stepper motor and integrated linear encoder (L-310.xASD) achieve repeatable minimum incremental motion in the range of the sensor resolution. The same configuration achieves constant low velocities of a few sensor increments per second.
Application fields
Precision positioning in industry and research, high duty cycles.
Specifications
Specifications
| Motion | L-310.023211 | L-310.023212 | L-310.023232 | L-310.025212 | L-310.025232 | L-310.20SD | L-310.2ASD | Tolerance |
|---|---|---|---|---|---|---|---|---|
| Active axes | Z | Z | Z | Z | Z | Z | Z | |
| Travel range in Z | 26 mm | 26 mm | 26 mm | 26 mm | 26 mm | 26 mm | 26 mm | |
| Maximum velocity in Z, unloaded | 50 mm/s | 50 mm/s | 50 mm/s | 50 mm/s | 50 mm/s | 15 mm/s | 15 mm/s | |
| Straightness error in X | ± 3 µm | ± 3 µm | ± 3 µm | ± 3 µm | ± 3 µm | ± 3 µm | ± 3 µm | typ. |
| Straightness error in Y | ± 3 µm | ± 3 µm | ± 3 µm | ± 3 µm | ± 3 µm | ± 3 µm | ± 3 µm | typ. |
| Angular error around X | ± 150 µrad | ± 150 µrad | ± 150 µrad | ± 150 µrad | ± 150 µrad | ± 150 µrad | ± 150 µrad | typ. |
| Angular error around Y | ± 150 µrad | ± 150 µrad | ± 150 µrad | ± 150 µrad | ± 150 µrad | ± 150 µrad | ± 150 µrad | typ. |
| Angular error around Z | ± 150 µrad | ± 150 µrad | ± 150 µrad | ± 150 µrad | ± 150 µrad | ± 150 µrad | ± 150 µrad | typ. |
| Positioning | L-310.023211 | L-310.023212 | L-310.023232 | L-310.025212 | L-310.025232 | L-310.20SD | L-310.2ASD | Tolerance |
| Minimum incremental motion in Z | 0.2 µm | 0.2 µm | 0.3 µm | 0.2 µm | 0.3 µm | 0.3 µm | 0.05 µm | typ. |
| Unidirectional repeatability in Z | ± 0.1 µm | ± 0.1 µm | ± 0.15 µm | ± 0.1 µm | ± 0.15 µm | ± 0.15 µm | ± 0.05 µm | typ. |
| Bidirectional repeatability in Z | 0.4 µm | 0.4 µm | 4 µm | 0.4 µm | 4 µm | 4 µm | 0.4 µm | typ. |
| Reference switch | Hall effect, N/C contact, 5 V, NPN | Hall effect, N/C contact, 5 V, NPN | Hall effect, N/C contact, 5 V, NPN | Hall effect, N/C contact, 5 V, NPN | Hall effect, N/C contact, 5 V, NPN | Hall effect, N/C contact, 5 V, NPN | Hall effect, N/C contact, 5 V, NPN | |
| Reference switch repeatability | 2 µm | 2 µm | 2 µm | 2 µm | 2 µm | 2 µm | 2 µm | |
| Limit switches | Hall effect, N/C contact, 5 V, NPN | Hall effect, N/C contact, 5 V, NPN | Hall effect, N/C contact, 5 V, NPN | Hall effect, N/C contact, 5 V, NPN | Hall effect, N/C contact, 5 V, NPN | Hall effect, N/C contact, 5 V, NPN | Hall effect, N/C contact, 5 V, NPN | |
| Integrated sensor | Incremental linear encoder | Incremental linear encoder | Incremental rotary encoder | Incremental linear encoder | Incremental rotary encoder | — | Incremental linear encoder | |
| Sensor signal | Sin/cos, 1 V peak-peak | A/B quadrature, RS-422 | A/B quadrature, RS-422 | A/B quadrature, RS-422 | A/B quadrature, RS-422 | — | Sin/cos, 1 V peak-peak | |
| Sensor signal period | 20 µm | — | — | — | — | — | 20 µm | |
| Sensor resolution | — | 50 nm | — | 50 nm | — | — | — | |
| Sensor resolution | — | — | 16384 Cts./rev. | 20000 Cts./rev. | 20000 Cts./rev. | — | — | |
| Drive Properties | L-310.023211 | L-310.023212 | L-310.023232 | L-310.025212 | L-310.025232 | L-310.20SD | L-310.2ASD | Tolerance |
| Drive type | DC motor | DC motor | DC motor | Brushless DC motor | Brushless DC motor | 2-phase stepper motor | 2-phase stepper motor | |
| Nominal voltage | 24 V | 24 V | 24 V | 24 V | 24 V | 24 V | 24 V | |
| Motor resolution | — | — | — | — | — | 200 Full steps/rev. | 200 Full steps/rev. | |
| Drive force in positive direction of motion in Z | 100 N | 100 N | 100 N | 100 N | 100 N | 55 N | 55 N | typ. |
| Drive force in negative direction of motion in Z | 100 N | 100 N | 100 N | 100 N | 100 N | 55 N | 55 N | typ. |
| Mechanical Properties | L-310.023211 | L-310.023212 | L-310.023232 | L-310.025212 | L-310.025232 | L-310.20SD | L-310.2ASD | Tolerance |
| Permissible push force in Y | 100 N | 100 N | 100 N | 100 N | 100 N | 100 N | 100 N | max. |
| Permissible push force in Z | 100 N | 100 N | 100 N | 100 N | 100 N | 55 N | 55 N | max. |
| Permissible torque in θX | 40 N·m | 40 N·m | 40 N·m | 40 N·m | 40 N·m | 40 N·m | 40 N·m | max. |
| Permissible torque in θY | 80 N·m | 80 N·m | 80 N·m | 80 N·m | 80 N·m | 80 N·m | 80 N·m | max. |
| Permissible torque in θZ | 80 N·m | 80 N·m | 80 N·m | 80 N·m | 80 N·m | 80 N·m | 80 N·m | max. |
| Holding force in Z, passive | — | — | — | — | — | 50 N | 50 N | |
| Moved mass in Z, unloaded | 900 g | 900 g | 900 g | 900 g | 900 g | 900 g | 900 g | |
| Drive screw type | Ball screw | Ball screw | Ball screw | Ball screw | Ball screw | Ball screw | Ball screw | |
| Drive screw pitch | 1 mm | 1 mm | 1 mm | 1 mm | 1 mm | 1 mm | 1 mm | |
| Guide | Crossed roller guide | Crossed roller guide | Crossed roller guide | Crossed roller guide | Crossed roller guide | Crossed roller guide | Crossed roller guide | |
| Overall mass | 2700 g | 2700 g | 2700 g | 2700 g | 2700 g | 2700 g | 2800 g | |
| Material | Anodized aluminum | Anodized aluminum | Anodized aluminum | Anodized aluminum | Anodized aluminum | Anodized aluminum | Anodized aluminum | |
| Miscellaneous | L-310.023211 | L-310.023212 | L-310.023232 | L-310.025212 | L-310.025232 | L-310.20SD | L-310.2ASD | Tolerance |
| Operating temperature range | 5 to 40 °C | 5 to 40 °C | 5 to 40 °C | 5 to 40 °C | 5 to 40 °C | 5 to 40 °C | 5 to 40 °C | |
| Connector | HD D-sub 26 (m) | HD D-sub 26 (m) | HD D-sub 26 (m) | HD D-sub 26 (m) | HD D-sub 26 (m) | HD D-sub 26 (m) | HD D-sub 26 (m) | |
| Sensor connector | D-sub 9 (m) | — | — | — | — | — | D-sub 9 (m) | |
| Recommended controllers/drivers | C-863 C-885 with C-863.20C885 C-884 G-901 G-910 ACS modular controller | C-863 C-885 with C-863.20C885 C-884 G-901 G-910 ACS modular controller | C-863 C-885 with C-863.20C885 C-884 G-901 G-910 ACS modular controller | G-901 G-910 ACS modular controller | G-901 G-910 ACS modular controller | C-663.12 C-885 with C-663.12C885 G-901 G-910 ACS modular controller | C-663.12 C-885 with C-663.12C885 G-901 G-910 ACS modular controller |
At PI, technical data is specified at 22 ±3 °C. Unless otherwise stated, the values are for unloaded conditions. Some properties are interdependent. The designation "typ." indicates a statistical average for a property; it does not indicate a guaranteed value for every product supplied. During the final inspection of a product, only selected properties are analyzed, not all. Please note that some product characteristics may deteriorate with increasing operating time.
Downloads
Datasheet
Documentation
User Manual MP157
L-310 Precision Z Stage
3D Models
L-310 3D model
Ask for a free quote on quantities required, prices, and lead times or describe your desired modification.
Precision Z stage; DC motor; 26 mm travel range; 100 N load capacity; 50 mm/s maximum velocity; ball screw; incremental linear encoder, 50 nm sensor resolution, A/B quadrature, RS-422
Precision Z stage; DC motor; 26 mm travel range; 100 N load capacity; 50 mm/s maximum velocity; ball screw; incremental rotary encoder, 16384 counts/rev sensor resolution, A/B quadrature, RS-422
Precision Z stage; brushless DC motor; 26 mm travel range; 100 N load capacity; 50 mm/s maximum velocity; ball screw; incremental linear encoder, 50 nm sensor resolution, A/B quadrature, RS-422
Precision Z stage; brushless DC motor; 26 mm travel range; 100 N load capacity; 50 mm/s maximum velocity; ball screw; incremental rotary encoder, 20000 counts/rev sensor resolution, A/B quadrature, RS-422
Precision Z stage; 2-phase stepper motor; 26 mm travel range; 55 N load capacity; 15 mm/s maximum velocity; ball screw
Precision Z stage; 2-phase stepper motor; 26 mm travel range; 55 N load capacity; 15 mm/s maximum velocity; ball screw; incremental linear encoder, 20 µm sensor signal period, sin/cos, 1 V peak-peak
How to Get a Quote
Ask an engineer!
Quickly receive an answer to your question by email or phone from a local PI sales engineer.
























