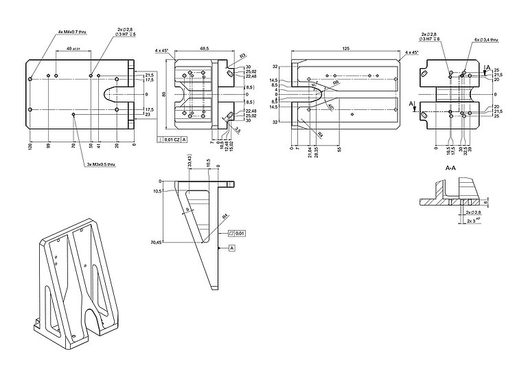
Mounting bracket for Z mounting of the N-332.14(Y) onto a N-332 linear stage; nickel-plated aluminum; including mounting kit
N-332.AP Mounting Bracket
For Z Mounting in N-332 Multi-Axis Systems
- Easy Z mounting of N-332 linear stages
- Vacuum-compatible models
- Delivery including mounting kit




N-332.AP Mounting Bracket
Product Description
Specifications
Downloads
Quote / Order
Ask for a free quote on quantities required, prices, and lead times or describe your desired modification.
N-332.AP1
N-332.AP1U
Mounting bracket for Z mounting of the N-332.14U(Y) onto a N-332 linear stage; vacuum-compatible to 10-9 hPa; nickel-plated aluminum; including mounting kit
N-332.AP2
Mounting bracket for Z mounting of the N-332.24(Y) onto a N-332 linear stage; nickel-plated aluminum; including mounting kit
N-332.AP2U
Mounting bracket for Z mounting of the N-332.24U(Y) onto a N-332 linear stage; vacuum-compatible to 10-9 hPa; nickel-plated aluminum; including mounting kit




