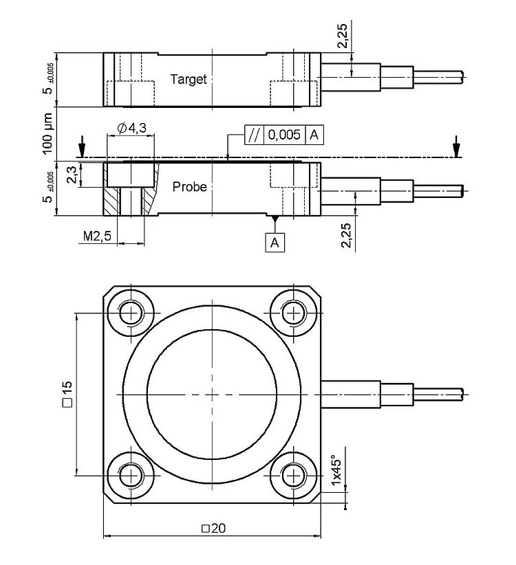
Capacitive two-plate position sensor, 50 µm nominal measuring range, aluminum
D-050 • D-100 Capacitive Sensors
Subnanometer-Resolution Position Sensors
- For applications with the highest precision requirements
- Measuring range to 300 µm
- Resolution to 0.01 nm
- Linearity error to 0.01% with digital controller
- E-509.CxA control electronics, compatible with E-500 piezo controller system




Resolution
Capacitive sensors achieve resolutions into the picometer range over shorter distances. The theoretical measuring resolution is unlimited. In practice, scatter radiation, geometrical effects, and the measuring electronics noise influence the achievable accuracy. In conjunction with the E-509.C1A electronics, the effective noise factor of the D-100.00 sensors (100 µm) is 0.02 nm/√Hz. Corresponds for example, to a resolution of 0.2 nm with 100 Hz bandwidth. The jumper-adjustable bandwidth of the electronics is up to 3 kHz.
In addition to the standard sensors listed here, PI offers customized versions, e.g., in measuring, geometry, material, electronics etc.
Application fields
High-precision positioning.
Specifications
Specifications
| D-050.00 | D-100.00 | Tolerance | |
|---|---|---|---|
| Sensor type | Capacitive | Capacitive | |
| Nominal measuring range | 50 µm | 100 µm | |
| Extended measuring range | 150 µm | 300 µm | |
| Resolution | 0.001% of the measuring range | 0.001% of the measuring range | |
| Linearity error | 0.01 % | 0.01 % | |
| Sensor active area | 56.5 mm² | 113.1 mm² | |
| Thermal drift | 50 ppm/K | 50 ppm/K | |
| Material | Aluminum | Aluminum | |
| Cable length | 1 m | 1 m | |
| Operating temperature range | -20 to 80 °C | -20 to 80 °C | |
| Recommended evaluation electronics | E-509.CxA | E-509.CxA | |
| Connector | LEMO FFA.00.250.CTLC31 | LEMO FFA.00.250.CTLC31 |
Resolution: At 3 kHz, with E-509.C3A.
Linearity error: With digital controller; to 0.05 % with E-509 analog controller.
Thermal drift: Change of active surface size in ppm (parts per million), refers to measuring range.
Ask for custom materials.
Downloads
Product Note
Product Change Notification D-015
Datasheet
Documentation
User Manual PZ106
D-015, D-050, D-100 Capacitive Sensors
Quote / Order
Ask for a free quote on quantities required, prices, and lead times or describe your desired modification.
Capacitive two-plate position sensor, 100 µm nominal measuring range, aluminum
How to Get a Quote
Ask an engineer!
Quickly receive an answer to your question by email or phone from a local PI sales engineer.







