NEW

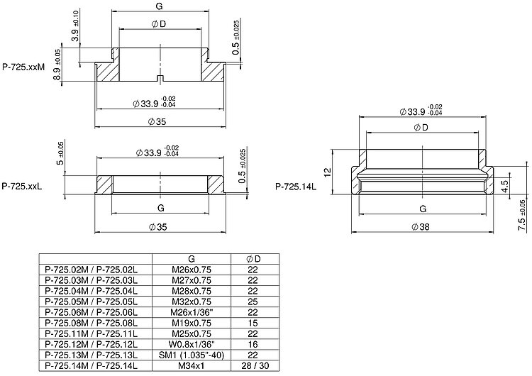
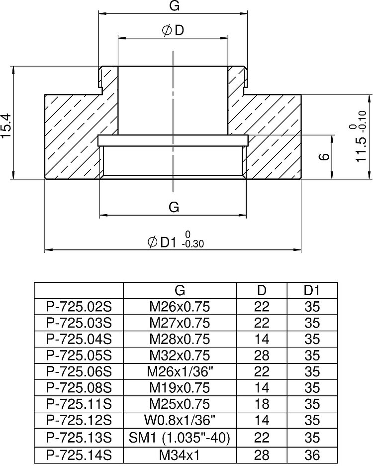
P-725.xxM • P-725.xxL • P-725.xxS Thread Adapters for PIFOC Focus Scanners

Easy Integration of the PIFOC Positioner to a Microscope (suitable for P-725.xCDE2 and P-725.xCDE1S)

  • Thread adapters to easily adapt PIFOC positioners to a microscope
  • Twist-free cable routing
  • Objective spacers for correcting the parfocal length
P-725.xxM • P-725.xxL • P-725.xxS Thread Adapters for PIFOC Focus Scanners
Product Description Specifications Downloads Quote / Order

The PIFOC objective positioners are inserted with the thread adapters between the microscope turret and the objective. After the adapter has been screwed into the turret, the PIFOC positioner is orientated as desired and fixed to the adapter. It is not necessary to turn the PIFOC positioner while doing this, which simplifies cable routing.

Specifications

Datasheet

Datasheet P-725.xxM • P-725.xxL • P-725.xxS

Version / Date
2024-07-16
pdf - 1 MB
Version / Date
2024-07-16
pdf - 1 MB
Version / Date
2025-06-24
pdf - 1 MB

Downloads

Datasheet

Datasheet

Datasheet P-725.xxM • P-725.xxL • P-725.xxS

Version / Date
2024-07-16
pdf - 1 MB
Version / Date
2024-07-16
pdf - 1 MB
Version / Date
2025-06-24
pdf - 1 MB

Documentation

Documentation

Installation Instructions P725UM0002

Thread Adapters for P-725.xCDE2 PIFOC Focus Scanners and P-725.xCDE1S PIFOC Scanner Systems

Version / Date
2024-06-17
pdf - 753 KB
Version / Date
2024-06-17
pdf - 759 KB
Documentation

Installation Instructions P721T0002

P-721 Thread Adapters for P-721 / P-725.xxx PIFOC Objective Scanners

Version / Date
2022-04-01
pdf - 795 KB
Version / Date
2022-04-01
pdf - 804 KB

3D Models

3D Models

3-D model P-725.xxS

Version / Date
2021-11-30
zip - 78 KB
3D Models

3-D model P-725.xxM

Version / Date
2021-11-30
zip - 85 KB
3D Models

3-D model P-725.xxL

Version / Date
2021-11-30
zip - 51 KB

Ask for a free quote on quantities required, prices, and lead times or describe your desired modification.

How to Get a Quote

Click on QUOTE / ORDER
Add variant to quote list
Fill out quote form
Send price request to PI
We will contact you shortly

Ask an engineer!

Quickly receive an answer to your question by email or phone from a local PI sales engineer.

Compatible Products Related Accessories