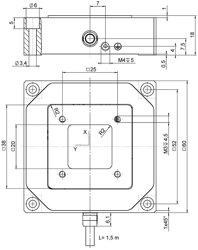
XY piezo nanopositioner; 100 µm × 100 µm travel range (X × Y); aperture 20 mm × 20 mm; SGS, indirect position measuring; LEMO connectors; 1.5 m cable length
P-612.2 XY Piezo Nanopositioner
Compact, with Aperture
- Compact: Surface 60 mm × 60 mm
- 100 µm × 100 µm closed-loop travel range (130 µm × 130 µm, open loop)
- For cost-critical applications
- Clear aperture 20 mm × 20 mm
- Parallel kinematics for faster response times and higher multi-axis accuracy
- Outstanding lifetime thanks to PICMA® piezo actuators
- Also available as compact version
Application fields
- Scanning microscopy
- High-throughput microscopy
- Super-resolution microscopy
- Mask / wafer positioning
- Interferometry
- Measuring technology
- Biotechnology
- Micromanipulation
Outstanding lifetime due to PICMA® piezo actuators
The PICMA® piezo actuators are all-ceramic insulated. This protects them against humidity and failure resulting from an increase in leakage current. PICMA® actuators offer an up to ten times longer lifetime than conventional polymer-insulated actuators. 100 billion cycles without a single failure are proven.
High guiding accuracy due to zero-play flexure guides
Flexure guides are free of maintenance, friction, and wear, and do not require lubrication. Their stiffness allows high load capacity and they are insensitive to shock and vibration. They work in a wide temperature range.
Specifications
Specifications
| Motion | P-612.2SL | Tolerance |
|---|---|---|
| Active axes | X ǀ Y | |
| Travel range in X | 100 µm | |
| Travel range in Y | 100 µm | |
| Travel range in X, open loop, at -20 to 120 V | 130 µm | +20 % / -0 % |
| Travel range in Y, open loop, at -20 to +120 V | 130 µm | +20 % / -0 % |
| Linearity error | 0.4 % | typ. |
| Angular error E_AY (pitch) | ± 10 µrad | typ. |
| Angular error E_BX (pitch) | ± 10 µrad | typ. |
| Angular error E_CX (yaw) | ± 10 µrad | typ. |
| Angular error E_CY (yaw) | ± 50 µrad | typ. |
| Positioning | P-612.2SL | Tolerance |
| Unidirectional repeatability in X | ± 10 nm | typ. |
| Unidirectional repeatability in Y | ± 10 nm | typ. |
| Resolution in X, open loop | 0.8 nm | typ. |
| Resolution in Y, open loop | 0.8 nm | typ. |
| Integrated sensor | SGS, indirect position measuring | |
| System resolution in X | 5 nm | |
| System resolution in Y | 5 nm | |
| Drive properties | P-612.2SL | Tolerance |
| Drive type | PICMA® | |
| Electrical capacitance | 1.5 µF | ±20 % |
| Mechanical properties | P-612.2SL | Tolerance |
| Stiffness in X | 0.15 N/µm | ±20 % |
| Stiffness in Y | 0.15 N/µm | ±20 % |
| Resonant frequency in X, unloaded | 400 Hz | ±20 % |
| Resonant frequency in X, under load with 100 g | 200 Hz | ±20 % |
| Resonant frequency in Y, unloaded | 400 Hz | ±20 % |
| Resonant frequency in Y, under load with 100 g | 200 Hz | ±20 % |
| Permissible push force in X | 15 N | max. |
| Permissible push force in Y | 15 N | max. |
| Permissible push force in Z | 15 N | max. |
| Permissible pull force in X | 5 N | max. |
| Permissible pull force in Y | 5 N | max. |
| Guide | Flexure guide with lever amplification | |
| Overall mass | 150 g | ±5 % |
| Material | Aluminum, steel | |
| Miscellaneous | P-612.2SL | Tolerance |
| Operating temperature range | -20 to 80 °C | |
| Connector | LEMO FFA.00.250.CTAC22 | |
| Sensor connector | LEMO FFA.0S.304.CLAC32 | |
| Cable length | 1.5 m | ±10 mm |
| Recommended controllers/drivers | E-503, E-505, E-610, E-621, E-625, E-665 |
The resolution of the system is limited only by the noise of the amplifier and the measuring technology because PI piezo nanopositioning systems are free of friction.
Ask about customized versions.
At PI, technical data is specified at 22 ±3 °C. Unless otherwise stated, the values are for unloaded conditions. Some properties are interdependent. The designation "typ." indicates a statistical average for a property; it does not indicate a guaranteed value for every product supplied. During the final inspection of a product, only selected properties are analyzed, not all. Please note that some product characteristics may deteriorate with increasing operating time.
Downloads
Product Note
Product Change Notification Piezo Actuator Driven Products
Datasheet
Documentation
User Manual PZ280
P-612 XY Nanopositioning Systems and Vertical Nanopositioning Stages
3D Models
P-612.2SL 3D Model
Ask for a free quote on quantities required, prices, and lead times or describe your desired modification.
How to Get a Quote
Ask an engineer!
Quickly receive an answer to your question by email or phone from a local PI sales engineer.
Technology

PICMA® Technology
Highly reliable and extended lifetime through the patented manufacturing process for multilayer actuators.

Flexure Guiding Systems
Flexure guides from PI have proven their worth in nanopositioning. They guide the piezo actuator and ensure a straight motion without tilting or lateral offset.















