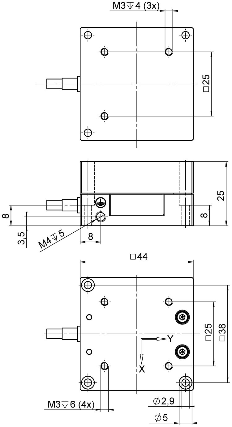
XY nanopositioner; 120 µm × 120 µm travel range (open loop) (X × Y); LEMO connectors; 1.5 m cable length
P-611.XZ • P-611.2 XZ and XYZ Nanopositioner
Compact Two-Axis Piezo Nanopositioner
- Compact: Surface 44 mm × 44 mm
- Travel range to 120 µm × 120 µm
- Resolution to 0.2 nm
- Particularly inexpensive systems (mechanics and controller)
- Zero-play, high-precision flexure guide system
- Outstanding lifetime due to PICMA® piezo actuators
- Also available as linear and Z stage, and as XYZ version
Application fields
- Interferometry
- Microscopy
- Nanopositioning
- Biotechnology
- Test procedures and quality assurance
- Photonics
- Fiber positioning
- Semiconductor technology
Outstanding lifetime thanks to PICMA® piezo actuators
The PICMA® piezo actuators are all-ceramic insulated. This protects them against humidity and failure resulting from an increase in leakage current. PICMA® actuators offer an up to ten times longer lifetime than conventional polymer-insulated actuators. 100 billion cycles without a single failure are proven.
Specifications
Specifications
| Motion | P-611.20 | P-611.2S | P-611.XZ0 | P-611.XZS | Tolerance |
|---|---|---|---|---|---|
| Active axes | X Y | X Y | X Z | X Z | |
| Travel range in X, open loop, at -20 to 120 V | 120 µm | 120 µm | 120 µm | 120 µm | +20 / -0 % |
| Travel range in Y, open loop, at -20 to +120 V | 120 µm | 120 µm | +20 / -0 % | ||
| Pitch (Rotational crosstalk in θX with motion in Y) | ± 5 µrad | ± 5 µrad | ± 5 µrad | ± 5 µrad | typ. |
| Pitch (Rotational crosstalk in θY with motion in X) | ± 5 µrad | ± 5 µrad | ± 5 µrad | ± 5 µrad | typ. |
| Yaw (Rotational crosstalk in θZ with motion in X) | ± 20 µrad | ± 20 µrad | ± 20 µrad | ± 20 µrad | typ. |
| Yaw (Rotational crosstalk in θZ with motion in Y) | ± 10 µrad | ± 10 µrad | typ. | ||
| Travel range in X | 100 µm | 100 µm | |||
| Travel range in Y | 100 µm | ||||
| Linearity error | 0.1 % | 0.1 % | typ. | ||
| Travel range in Z, open loop, at -20 to 120 V | 120 µm | 120 µm | +20 / -0 % | ||
| Yaw (Rotational crosstalk in θX with motion in Z) | ± 10 µrad | ± 10 µrad | typ. | ||
| Pitch (Rotational crosstalk in θY with motion in Z) | ± 10 µrad | ± 10 µrad | typ. | ||
| Travel range in Z | 100 µm | ||||
| Positioning | P-611.20 | P-611.2S | P-611.XZ0 | P-611.XZS | Tolerance |
| Resolution, open loop | 0.2 nm | 0.2 nm | 0.2 nm | 0.2 nm | typ. |
| Unidirectional repeatability in X | ± 10 nm | ± 10 nm | typ. | ||
| Unidirectional repeatability in Y | ± 10 nm | typ. | |||
| Integrated sensor | SGS, indirect position measuring | SGS, indirect position measuring | |||
| System resolution | 2 nm | 2 nm | typ. | ||
| Unidirectional repeatability in Z | ± 10 nm | typ. | |||
| Drive Properties | P-611.20 | P-611.2S | P-611.XZ0 | P-611.XZS | Tolerance |
| Drive type | PICMA® | PICMA® | PICMA® | PICMA® | |
| Electrical capacitance | 1,5 µF | 1,5 µF | 1,5 µF | 1,5 µF | ±20 % |
| Mechanical Properties | P-611.20 | P-611.2S | P-611.XZ0 | P-611.XZS | Tolerance |
| Stiffness in X | 0.2 N/µm | 0.2 N/µm | 0.2 N/µm | 0.2 N/µm | ±20 % |
| Stiffness in Y | 0.2 N/µm | 0.2 N/µm | ±20 % | ||
| Resonant frequency in X, unloaded | 345 Hz | 345 Hz | 365 Hz | 365 Hz | ±20 % |
| Resonant frequency in X, under load with 30 g | 270 Hz | 270 Hz | 280 Hz | 280 Hz | ±20 % |
| Resonant frequency in X, under load with 100 g | 180 Hz | 180 Hz | 185 Hz | 185 Hz | ±20 % |
| Resonant frequency in Y, unloaded | 270 Hz | 270 Hz | ±20 % | ||
| Resonant frequency in Y, under load with 30 g | 225 Hz | 225 Hz | ±20 % | ||
| Resonant frequency in Y, under load with 100 g | 165 Hz | 165 Hz | ±20 % | ||
| Permissible push force in X | 15 N | 15 N | 15 N | 15 N | max. |
| Permissible push force in Y | 15 N | 15 N | max. | ||
| Permissible push force in Z | 15 N | 15 N | 15 N | 15 N | max. |
| Permissible pull force in X | 10 N | 10 N | 10 N | 10 N | max. |
| Permissible pull force in Y | 10 N | 10 N | max. | ||
| Overall mass | 235 g | 235 g | 270 g | 270 g | ±5 % |
| Material | Aluminum, steel | Aluminum, steel | Aluminum, steel | Aluminum, steel | |
| Stiffness in Z | 0.35 N/µm | 0.35 N/µm | ±20 % | ||
| Resonant frequency in Z, unloaded | 340 Hz | 340 Hz | ±20 % | ||
| Resonant frequency in Z, under load with 30 g | 295 Hz | 295 Hz | ±20 % | ||
| Resonant frequency in Z, under load with 100 g | 230 Hz | 230 Hz | ±20 % | ||
| Permissible pull force in Z | 10 N | 10 N | max. | ||
| Miscellaneous | P-611.20 | P-611.2S | P-611.XZ0 | P-611.XZS | Tolerance |
| Operating temperature range | -20 to 80 °C | -20 to 80 °C | -20 to 80 °C | -20 to 80 °C | |
| Connector | LEMO FFA.00.250.CTAC22 | LEMO FFA.00.250.CTAC22 | LEMO FFA.00.250.CTAC22 | LEMO FFA.00.250.CTAC22 | |
| Cable length | 1.5 m | 1.5 m | 1.5 m | 1.5 m | ±10 mm |
| Recommended controllers / drivers | E-503, E-505, E-663, E-664, E-727 | E-503, E-505, E-663, E-664, E-727 | E-503, E-505, E-663, E-664, E-727 | E-503, E-505, E-663, E-664, E-727 | |
| Sensor connector | LEMO FFA.0S.304.CLAC32 | LEMO FFA.0S.304.CLAC32 |
The resolution of the system is limited only by the noise of the amplifier and the measuring technology because PI piezo nanopositioning systems are free of friction.
Downloads
Product Note
Product Change Notification Piezo Actuator Driven Products
Datasheet
Documentation
User Manual PZ253
P-611 Nanopositioning Systems with Strain Gauge Sensors / without Sensor
Unpacking Instructions P611T0006
Unpacking and Handling of P-611 Positioners
3D Models
P-611.XY • P-611.2 3-D model
Quote / Order
Ask for a free quote on quantities required, prices, and lead times or describe your desired modification.
XY nanopositioner; 100 µm × 100 µm travel range (X × Y); SGS, indirect position measuring; LEMO connectors; 1.5 m cable length
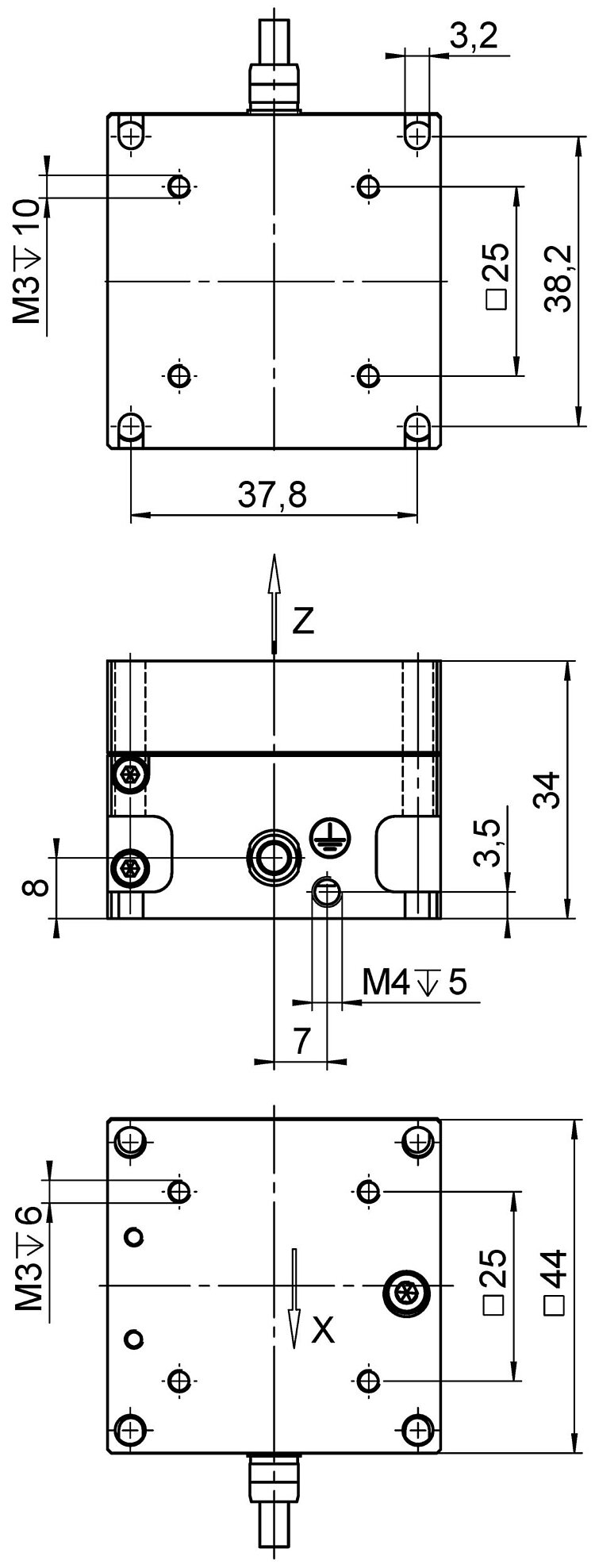
XZ nanopositioner; 120 µm × 120 µm travel range (open loop) (X × Z); LEMO connectors; 1.5 m cable length
XZ nanopositioner; 100 µm × 100 µm travel range (X × Z); SGS, indirect position measuring; LEMO connectors; 1.5 m cable length
How to Get a Quote
Ask an engineer!
Quickly receive an answer to your question by email or phone from a local PI sales engineer.
Technology

PICMA® Technology
Highly reliable and extended lifetime through the patented manufacturing process for multilayer actuators.

Flexure Guiding Systems
Flexure guides from PI have proven their worth in nanopositioning. They guide the piezo actuator and ensure a straight motion without tilting or lateral offset.















