NEW

S-312 Phase Shifter for Optics

High-Resolution Open-Loop Z Stage for Optical or Interferometer Applications

  • Piezo Z stage for horizontally or vertically mounted optics
  • 5 clear aperture sizes to choose from: 53 mm to 311 mm
  • Low-profile stage
  • Tripod piezo drive design provides Z motion with tilt error correction
  • Custom models available, i.e., closed-loop stages
S-312 Phase Shifter for Optics
Product Description Specifications Downloads Quote / Order

Product overview

S-312 piezo phase shifters are precision nanopositioning stages engineered for optical phase shifting in advanced interferometry applications. Providing smooth motion with subnanometer resolution and millisecond responsiveness, these stages enable precise shifting of interference fringes for phase analysis. Typically integrated into interferometers but also suitable for other optical applications, the S-312 piezo stages are ideal for both research and industrial metrology.

Operation

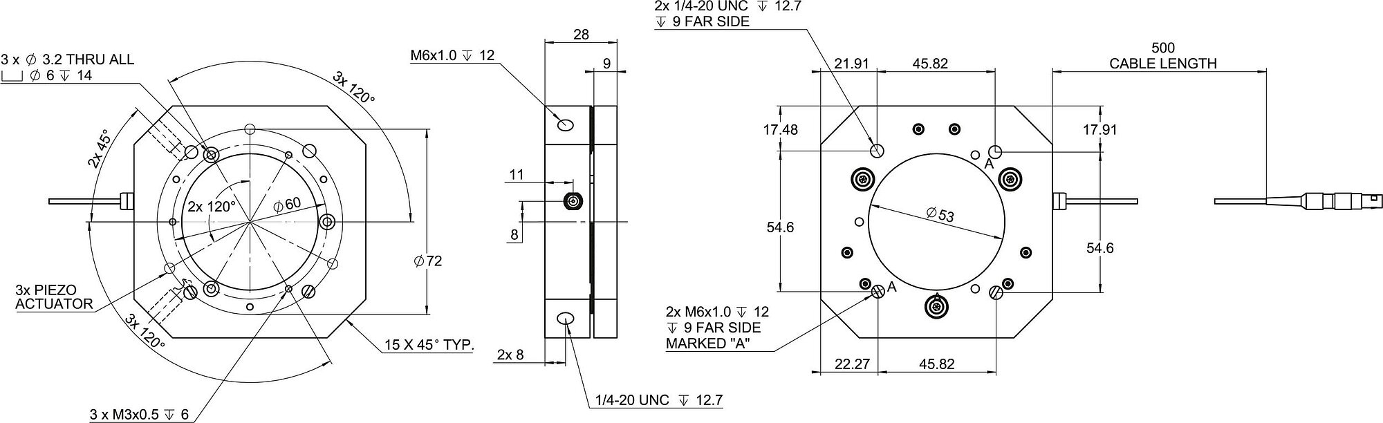
The compact tripod piezo-drive design incorporates three long-life PICMA® piezo actuators, spaced at 120° intervals. When controlled jointly, they provide linear motion along the optical axis. Individual control is also possible for tip/tilt error correction or bias adjustment. The combination of responsiveness, resolution, and reliability makes the S-312 optical phase shifters a robust solution for demanding optical measurement and phase-shifting interferometry tasks.

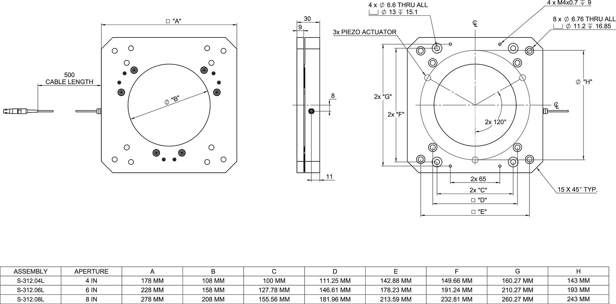
Models and aperture sizes

The S-312 family includes five clear-aperture sizes:

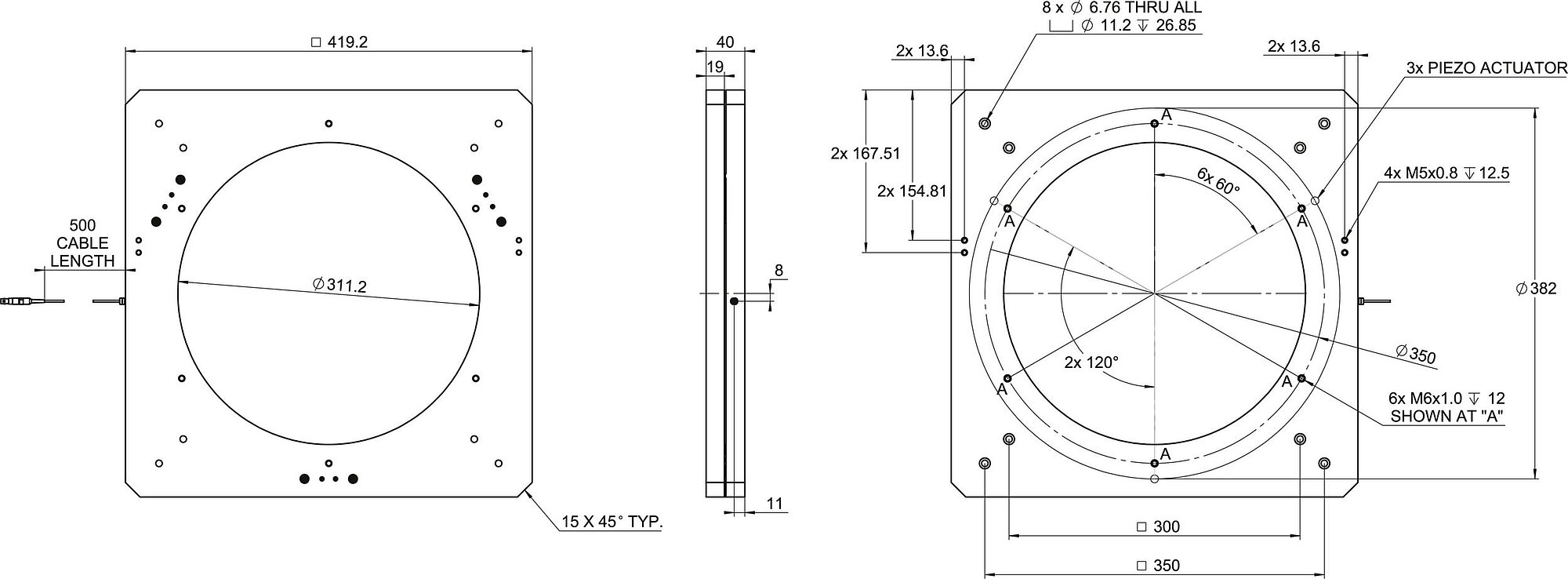
  • Ø 53 mm
  • Ø 108 mm
  • Ø 158 mm
  • Ø 208 mm
  • Ø 311 mm

Electronics and control

The piezo stages are equipped with open-loop piezo actuators that only require a low-noise driver with an output range of 0 V to 100 V, corresponding to 0 µm to 15 µm of linear motion along the optical axis. For linear-only motion, models with standard LEMO connectors can be directly plugged into a PI piezo driver, such as the E-836. For additional tip/tilt error correction, three independent driver channels are required to control each piezo actuator separately. In this case, models with bare wire strands should be selected to provide individual access to the actuators.

Variants and accessories

  • LEMO 1-pole connector for Z motion (LEMO FFA.00.250.CTAC22)
  • Pigtails without connector for individual actuator control (Z, tip/tilt)
  • Optional cables: P-890 LEMO/solderable end, P-891 extension cables

Application fields

The S-312 piezo stage series is ideally suited for interferometry and other optical circuit applications that require precise incremental motion in the nanometer range. Its piezo actuator and flexure design ensures a lifetime of billions of cycles, with configurations available for both vacuum and cleanroom environments.

Specifications

Datasheet

Datasheet S-312

Version / Date
2025-09-09
pdf - 1 MB
Version / Date
2025-09-09
pdf - 1 MB

Downloads

Datasheet

Datasheet

Datasheet S-312

Version / Date
2025-09-09
pdf - 1 MB
Version / Date
2025-09-09
pdf - 1 MB

Ask for a free quote on quantities required, prices, and lead times or describe your desired modification.

S-312.02 NEW!

Phase shifter for optics, with tip/tilt error correction; 15 µm travel range (open loop); clear aperture, Ø 53 mm; bare wire strands; 0.5 m cable length

S-312.04 NEW!

Phase shifter for optics, with tip/tilt error correction; 15 µm travel range (open loop); clear aperture, Ø 108 mm; bare wire strands; 0.5 m cable length

S-312.06 NEW!

Phase shifter for optics, with tip/tilt error correction; 15 µm travel range (open loop); clear aperture, Ø 158 mm; bare wire strands; 0.5 m cable length

S-312.08 NEW!

Phase shifter for optics, with tip/tilt error correction; 15 µm travel range (open loop); clear aperture, Ø 208 mm; bare wire strands; 0.5 m cable length

S-312.12 NEW!

Phase shifter for optics, with tip/tilt error correction; 15 µm travel range (open loop); clear aperture, Ø 311 mm; bare wire strands; 0.5 m cable length

How to Get a Quote

Click on QUOTE / ORDER
Add variant to quote list
Fill out quote form
Send price request to PI
We will contact you shortly

Ask an engineer!

Quickly receive an answer to your question by email or phone from a local PI sales engineer.

Compatible Electronics Compatible Accessories